Motorreductores semi blindados
SB 200
Información Técnica
Diámetro de tubo enrollador:130
Potencia motor:0,33HP
Peso de elevación:200Kg
Engranaje contramarcha Zdic-36
Engranaje cortinaZ-72
RPM eje cortina1,8
Velocidad cortina:1mts/min
Vel. cortina con acople directo2,5mts/min
Freno electromagnético–
Peso del equipo:8,5Kgs
Revoluciones piñon Z14:28
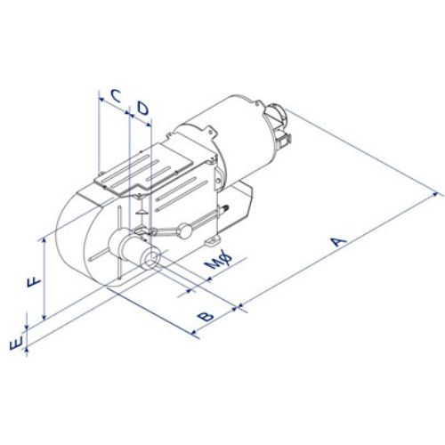
Detalle imagen espacio (mm) A168 B100 C300 D148 E285
SB 250
Información técnica:
Diámetro de tubo enrollador:160
Potencia motor:0,50HP
Peso de elevación:250Kg
Engranaje contramarcha Zdic-36
Engranaje cortinaZ-72
RPM eje cortina1,8
Velocidad cortina:1mts/min
Vel. cortina con acople directo3mts/min
Freno electromagnéticoOpcional
Peso del equipo:13Kgs
Revoluciones piñon Z14:28
Detalle imagen espacio (mm) A168 B100 C300 D148 E285
SB 300
Información técnica:
Diámetro de tubo enrollador:160
Potencia motor:0,60HP
Peso de elevación:300Kg
Engranaje contramarcha Zdic-36
Engranaje cortinaZ-72
RPM eje cortina1,8
Velocidad cortina:1mts/min
Vel. cortina con acople directo3mts/min
Freno electromagnéticoOpcional
Peso del equipo:13,5Kgs
Revoluciones piñon Z14:28
Detalle imagen espacio (mm) A168 B100 C310 D148 E285
SB 350
Información técnica:
Diámetro de tubo enrollador:160
Potencia motor:0,75HP
Peso de elevación:350Kg
Engranaje contramarcha Zdic-36
Engranaje cortinaZ-72
RPM eje cortina1,8
Velocidad cortina:1mts/min
Vel. cortina con acople directo3mts/min
Freno electromagnéticoOpcional
Peso del equipo:15Kgs
Detalle imagen espacio (mm) A168 B100 C315 D148 E285
SB 400
Información técnica:
Diámetro de tubo enrollador:200
Potencia motor:1HP
Peso de elevación:400Kg
Engranaje contramarcha Zdic-36
Engranaje cortinaZ-72
RPM eje cortina2,2
Velocidad cortina:1,55mts/min
Vel. cortina con acople directo4,9mts/min
Freno electromagnéticoOpcional
Peso del equipo:22Kgs
Revoluciones piñon Z14:35
Detalle imagen espacio (mm) A168 B100 C340 D148 E285
SB 500
Información técnica:
Diámetro de tubo enrollador:250
Potencia motor:1,25HP
Peso de elevación:500Kg
Engranaje contramarcha Zdic-48
Engranaje cortinaZ-72
RPM eje cortina1,7
Velocidad cortina:1,60mts/min
Vel. cortina con acople directo6,3mts/min
Freno electromagnéticoIncluido
Peso del equipo:24Kgs
Revoluciones piñon Z14:35
Detalle imagen espacio (mm) A168 B100 C375 D148 E285


































